搜索
名称
描述
内容
全国服务热线
17721100656
网站首页
关于我们
产品展示
干簧继电器
干簧继电器模组
干簧接近传感器
液位浮球传感器
干簧管
应用领域
新闻资讯
加入我们
在线留言
联系我们
您的位置:
网站首页
>>
干簧继电器
>>
STG系列高压干簧继电器
>>
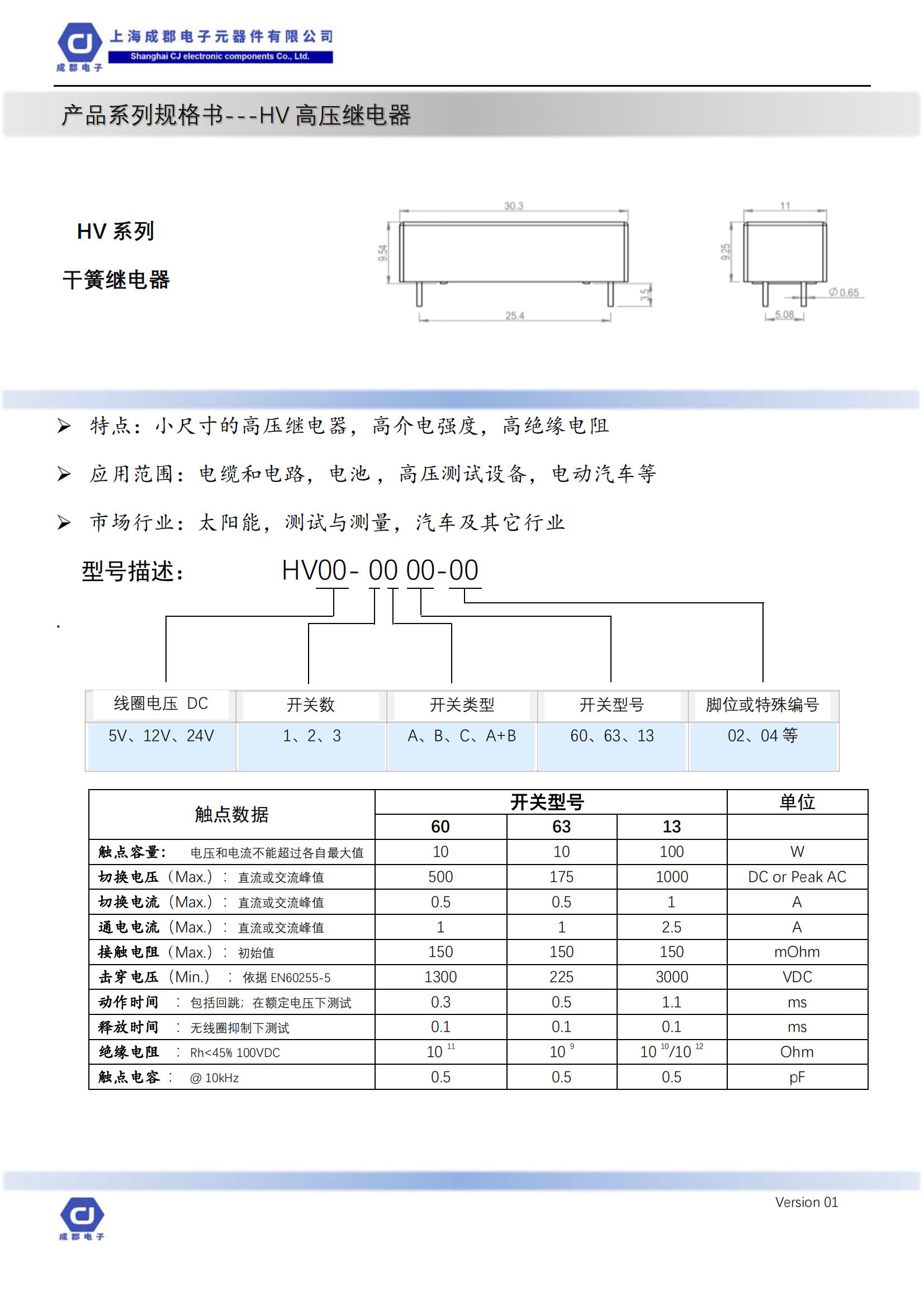
HV ⾼压继电器
产品展示
严格的质量把关,为您铸就优质产品
干簧继电器
TG系列高压干簧继电器
STG系列高压干簧继电器
HV系列干簧继电器
MHR系列干簧继电器
SHR系列干簧继电器
PHI系列干簧继电器
PDR系列干簧继电器
干簧继电器模组
TGM系列干簧继电器模组
HVM系列干簧继电器模组
干簧接近传感器
FS01系列封装型干簧接近传感器
FS02系列封装型干簧接近传感器
GS系列干簧接近传感器
液位浮球传感器
GS08系列不锈钢液位传感器
GS09系列侧装不锈钢液位传感器
干簧管
16
关闭分类
上海成郡电子元器件有限公司
产品分类
干簧继电器
TG系列高压干簧继电器
STG系列高压干簧继电器
HV系列干簧继电器
MHR系列干簧继电器
SHR系列干簧继电器
PHI系列干簧继电器
PDR系列干簧继电器
干簧继电器模组
TGM系列干簧继电器模组
HVM系列干簧继电器模组
干簧接近传感器
FS01系列封装型干簧接近传感器
FS02系列封装型干簧接近传感器
GS系列干簧接近传感器
液位浮球传感器
GS08系列不锈钢液位传感器
GS09系列侧装不锈钢液位传感器
干簧管
HV ⾼压继电器
价格:
0.00
市场价:
0.00
商品信息
商品描述
{"0":{"title":"商品信息","desc":"
"}}
上一个:
干簧继电器在高压测试......
下一个:
无